Produktmål (se produktbilleder for mål)
| EV SKU | Manufacturer Part Number |
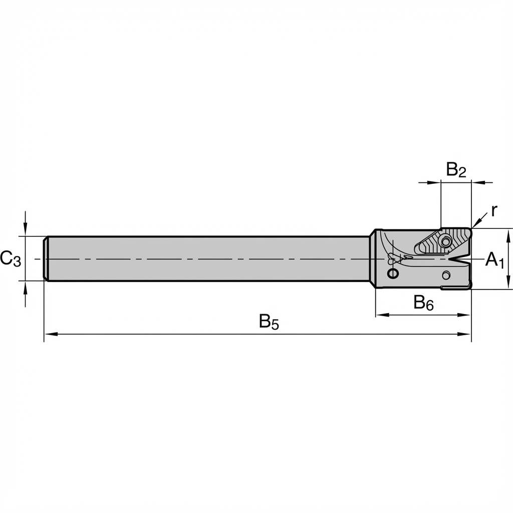
A1(mm) | G4(mm) | B5(mm) | C3(mm) | B2(mm) | B11(mm) | B6(mm) | A3(mm) | A4(mm) | A2(mm) | z |
|---|---|---|---|---|---|---|---|---|---|---|---|---|
| EV-MB-0000438 | 1043242 | 20.0 | — | 175.0 | 16 | 10.0 | — | 30.0 | 19.0 | — | — | 2 |
| EV-MB-0000439 | 1043243 | 25.0 | — | 200.0 | 20 | 13.5 | — | 40.0 | 23.7 | — | — | 2 |
| EV-MB-0000440 | 1043244 | 32.0 | — | 220.0 | 25 | 15.0 | — | 50.0 | 31.0 | — | — | 2 |
| Please choose options to see the values. | ||||||||||||
Kompatible skær
| Insert EV SKU | Insert MPN | Insert | Grade | Corner Radius(mm) | ISO suitability | Price | Qty | Add | |
|---|---|---|---|---|---|---|---|---|---|
| Select a Body variant to see compatible inserts. | |||||||||
Anvendelse (find dine rigtige skæredata)
| ISO | Material | Operation | Stage | Coolant | vc min(m/min) | vc typ(m/min) | vc max(m/min) | fz min(mm/tooth) | fz typ(mm/tooth) | fz max(mm/tooth) | ap min(mm) | ap typ(mm) | ap max(mm) | ae% max(%) | Ramp max(°) |
|---|
Kompatible patroner
Table of Chucks that go along with Mill


